WWW.CITRINA.LT diskusijų forumas

Jaukiausia palata visiems citroligoniams
Dabar yra Kov 25 2026, 08:19

Visos datos yra Array Etc/GMT-2




Naujos temos kūrimas  Atsakyti į temą  [ 8 pranešimai(ų) ] 
Autorius Žinutė
 Pranešimo tema: Nebeveikia pečiukas
StandartinėParašytas: Sau 26 2014, 18:52 
Atsijungęs
Naujokas

Užsiregistravo: Lie 04 2012, 22:31
Pranešimai: 9
Miestas: Lithuania
Sveiki, kas gali būti jei nebegaliu atsisukti vėjelio mašinoj? http://shrani.si/files/dsc0015911438f.jpg ten kur galima reguliuot vėjelio stiprumą pas mane visi tušti ir nepučia. Kondiškė irgi neįsijungia, bet šilumą reguliuot galiu, galinis langas irgi kaip ir šildosi.


Į viršų
 Pranešimo tema: Re: Nebeveikia pečiukas
StandartinėParašytas: Sau 26 2014, 18:55 
Atsijungęs
Plepys

Užsiregistravo: Bir 24 2009, 15:01
Pranešimai: 3221
Miestas: Kaunas
Taip išeina, kad pavogė mygtukus kažkas, jei jau visi tušti ir nieko nėr.

_________________
VW Multivan
Xsara
Kabrioletas Reno
Konsultacijų neteikiame ir nuotoliniu būdu neremontuojame.


Į viršų
 Pranešimo tema: Re: Nebeveikia pečiukas
StandartinėParašytas: Sau 26 2014, 18:59 
Atsijungęs
Plepys
Vartotojo avataras

Užsiregistravo: Kov 25 2008, 23:00
Pranešimai: 3604
Miestas: Kaunas
Pradziai perziurek saugiklius ar viskas okey,o toliau lysk prie pacio ventiliatoriaus..

_________________
<< Citroen C5 X7 2.0 HDi 100kW 08'
P407c 2.7HDi 07' 150kW


Į viršų
 Pranešimo tema: Re: Nebeveikia pečiukas
StandartinėParašytas: Sau 26 2014, 19:20 
Atsijungęs
Plepys
Vartotojo avataras

Užsiregistravo: Rgp 28 2006, 08:36
Pranešimai: 1307
Miestas: Utena
Gali buti, kad nusprogo tranzas ventilaitoriaus valdymo. Jis randasi po bardacioku, po kilimais prie centrines konsoles. Zodziu kazkiek info cia - https://www.aussiefrogs.com/forum/citro ... oblem.html

cia - http://www.heaterblowerresistor.co.uk/c ... istor.html

ir video cia - http://www.youtube.com/watch?v=zm3BOcuHOEg

_________________
2010 m. Citroen C-Crosser, 2.2 HDi (4HN), 115 kW
2011 m. Citroen C4, 1.6, 88 kW
2014 m. Citroen C3, 1,2 60 kW


Į viršų
 Pranešimo tema: Re: Nebeveikia pečiukas
StandartinėParašytas: Sau 26 2014, 21:45 
Atsijungęs
Naujokas
Vartotojo avataras

Užsiregistravo: Vas 25 2012, 13:59
Pranešimai: 28
Pas mane yra taip buvę - bėda buvo blogas kontaktas fiškėj, kur jungiasi į ventiliatoriaus variklį. Pakako ją tik pajudint (vėliau dar išėmiau ventiliatorių su varikliuku, ir pravaliau kontaktus ten). Jau kokie 4 metai, kaip nebekyla bėdų su tuo.


Į viršų
 Pranešimo tema: Re: Nebeveikia pečiukas
StandartinėParašytas: Sau 26 2014, 21:50 
Atsijungęs
Plepys
Vartotojo avataras

Užsiregistravo: Rgp 28 2006, 08:36
Pranešimai: 1307
Miestas: Utena
o kaip sugebejai issimti pati ventilaitoriu? Jis gi ten taip giliai uzkistas us centrines paneles, kad kai paziurejau, tai tik ir pagalvojau, geriau jis man niekada nesugestu, nes neisivaizduoju kaip ji reiketu is ten islupti.

_________________
2010 m. Citroen C-Crosser, 2.2 HDi (4HN), 115 kW
2011 m. Citroen C4, 1.6, 88 kW
2014 m. Citroen C3, 1,2 60 kW


Į viršų
 Pranešimo tema: Re: Nebeveikia pečiukas
StandartinėParašytas: Sau 26 2014, 21:57 
Atsijungęs
Naujokas
Vartotojo avataras

Užsiregistravo: Vas 25 2012, 13:59
Pranešimai: 28
Ventiliatorius išimamas taip pat "lengvai", kaip ir salono filtras. Nepamenu, ar yra kažkokie prisukimo varžteliai, bet pasukus visą plastmasinį korpusą, atsikabina tokie kabliukai ir išsitraukia į pedalų pusę visas korpusas su varikliuku ir ventiliatoriumi.


Į viršų
 Pranešimo tema: Re: Nebeveikia pečiukas
StandartinėParašytas: Sau 26 2014, 22:06 
Atsijungęs
Naujokas
Vartotojo avataras

Užsiregistravo: Vas 25 2012, 13:59
Pranešimai: 28
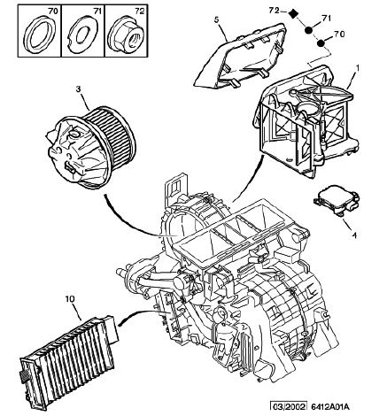
Nesimato, ar yra varžteliai, bet turi, pasukus į kažkurią pusę, išsitraukt Nr 3 pažymėta dalis.


Prikabinti failai:
Failo aprašymas: Schema
Peciukas.JPG
Peciukas.JPG [ 45.74 KiB | Peržiūrėta 2080 kartus(ų) ]
Į viršų
Rodyti paskutinius pranešimus:  Rūšiuoti pagal  
Naujos temos kūrimas  Atsakyti į temą  [ 8 pranešimai(ų) ] 

Visos datos yra Array Etc/GMT-2


Dabar prisijungę

Vartotojai naršantys šį forumą: 1 ir 0 svečių


Jūs negalite kurti naujų temų šiame forume
Jūs negalite atsakinėti į temas šiame forume
Jūs negalite redaguoti savo pranešimų šiame forume
Jūs negalite trinti savo pranešimų šiame forume
Jūs negalite prikabinti failų šiame forume

Ieškoti:
Pereiti į:  
cron
POWERED_BY
Vertė Vilius Šumskas © 2003, 2005, 2007